
全自動一體化凈水設備相比傳統濾池設備具有體積小、易運輸安裝、自動運行、自動反洗、無耗能、耐腐蝕等特點。高效去除河水、山泉、水庫等地表水中泥沙、藻類、細菌、懸浮物、鐵錳離子、異味等,廣泛應用于各類自來水廠、地表水處理、農村生活用水、河水飲用凈化。
一、設備概述:
全自動一體化凈水設備相比傳統濾池設備具有體積小、易運輸安裝、自動運行、自動反洗、無耗能、耐腐蝕等特點。高效去除河水、山泉、水庫等地表水中泥沙、藻類、細菌、懸浮物、鐵錳離子、異味等,將地表水凈化成符合《生活飲用水衛生標準》GB5749-2022要求的清潔生活用水。
二、設備進出水要求
進水指標:
1、進水:河流、溝渠、水庫、山泉等地表水源或地下水(需要檢測水樣);
2、適用濁度:100~3000NTU;
3、水溫:2℃~30℃;
4、供電:一體化凈水設備不用電(其他設備如需用電,按照相關要求提供)
出水標準:
1、出水濁度:0.3~1NTU(根據用戶需求調整);
2、色度:<15°;
4、總溶解性固體含量:TDS<200PPM;
6、出水標準:符合《生活飲用水衛生標準》(GB5749-2022)相關指標要求;
三、設備適用水質
1、Ⅰ類、Ⅱ類、Ⅲ類地表水;
2、濁度<200NTU的原水可直接進入設備過濾;
3、原水濁度<3000NTU,通過系統設計,處理后達到《生活飲用水衛生標準》GB5749-2022相關水質指標要求。
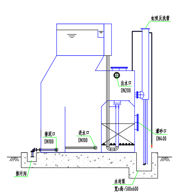
四、處理工藝流程
原水經提升泵(自流時可取消)進入全自動一體化凈水設備前加入絮凝劑,混合后通過進水管進入設備混凝室絮凝,大顆粒絮凝體在斜管沉淀器沉淀,沉淀后的水經曝氣裝置去除異味、有機物,充分融氧后分流進入過濾器,通過多介質復合濾料層凈化水質,出水經二次融氧后消毒在流入蓄水池,完成對原水的凈化。
整個過程自動化運轉,不需要人為干預操作,無需專業管理人員,無論各類自來水廠、山區農村、社區都可做到便捷運輸、快速安裝、運行使用。
五、主要技術參數
原水濁度:≤1500毫克/升,短期可達3000毫克/升
出水濁度:≤1NTU(特殊情況≤3NTU)
反應時間:10~20分鐘
穩流區流速:1.8~2.7毫米/秒
沖洗強度:14~16升/平方米?秒
沖洗時間:2~8分鐘
進水水頭:≥8米
六、設備凈水過程
1、混凝沉淀降低濁度:
水中雜質懸浮物及膠體顆粒在絮凝作用下生成粗大礬花,利于后續固液分離;
礬花水上升至沉淀區自動沉淀,實現初步固液分離,即減輕過濾系統負擔,也可節約反沖洗用水。
2、曝氣充氧活化水質:
模擬“瀑布跌水”方式,水與空氣接觸融入大量溶解氧,與污染物發生氧化反應,去除部分有害物質;
曝氣將水中氨氣、二氧化碳等有害氣體溢出,增強了污染物凝聚效果,有利于后續過濾。
3、高效過濾截留污染物:
水中殘留的細小礬花、顆粒污染物等被復合介質精濾層截留,保證出水濁度0.4~1NTU;
濾層采用3~7種濾料組成的復合濾層,可以將細小固體微粒截留在濾層中,去污率99%以上;
過濾器具有自動反沖洗功能,節省人力操作;配置手動強制反沖洗控制器可手動反洗。
4、自動反沖洗自動排污:
濾層污物增加導致過濾阻力增大,到達設計條件時自動對濾層反沖洗,廢水流到底部污水槽中排出;
沖洗結束后濾層自動排列復位,恢復過濾功能。反洗用水由水箱提供,沖洗強度5~16l/s·m2,歷時3~6分鐘。
七、設備特點
1、不用電 —水力自動化+無壓供水設計,曝氣、溶氧、精濾、反洗無電力運行,用電成本可減少90%以上;
2、不換濾料 —濾層反洗徹底,濾料不會板結,不需人工清理、更換(使用3~5年后增補少量即可),減少每年濾層清洗、更換相關開支;
3、使用靈活 —設備尺寸小、運輸安裝方便;城鎮、鄉村、山區都可以安裝使用;
4、機型豐富—單臺處理能力3~240噸/小時,滿足各種水量要求;
5、體積小—集絮凝、沉淀、曝氣、溶氧、過濾、自動反洗功能為一體,施工及采購成本減少30%以上;
6、過濾精度高—對泥沙、有機物、懸浮物、鐵錳金屬離子等去除率99%以上,出水濁度可保持在0.4~1NTU(根據用戶需求調整);
7、操作簡單 —設備自動運行不用電,無需專業人員操作,后期管理及運行成本可減少70%以上。
八、操作保養
1、設備在安裝使用時應查看檢驗所有管道接口是否扭緊,不能漏氣、漏水,清除設備內因施工可能留下的雜物,檢驗無誤后按照濾材質量從大到小填裝。
2、調試設備時,先另用管道從濾池上部進水,待水滿后再開機正常進水,每格濾池能自動反沖洗兩次(視濾料沖洗干凈為止),反沖洗正常后,調整進水量,使進水量為設計處理水量的1/3,開啟投藥設備加藥,待設備運轉正常后,將水量調整到設計水量。
3、設備排泥通常每2天操作一次,雨季時每天排泥一次。
4、若設備停用一星期以上,在停用前必須開啟排泥閥和沖洗閥,待設備內泥排干凈后再停用。
5、設備通常一年保養一次,檢查項目主要有進出水裝置、輔助虹吸管、沖洗污泥等。
九、設備出水效果
全自動一體化凈水設備已在多省份的飲用水項目中得到大量應用,出水經檢測符合《生活飲用水衛生標準》GB5749-2022相關指標要求。
更多關于一體化凈水設備的相關資料,可關注公司網站(www.sdmzj.com)!
- 上一篇:一體化凈水設備廠家
- 下一篇:自來水廠一體化凈水設備